武汉
2025年国家企业技术中心管理办法修订的解读
来源:      作者:      发布时间:2025-09-04      阅读次数:23

近日,国家发改委发布了《企业技术中心管理办法(征求意见稿)》,《办法》包括总则、认定、运行评价、鼓励政策、监督管理等共六章三十二条,相较于2016 年实施的《国家企业技术中心认定管理办法》(第 34 号令)产生了重大调整。相关变动如下:

图片
图片

/长按识别二维码查看完整政策/


一、政策定位

2025年新规将“培育发展新质生产力”写入总则,标志着政策从单纯的能力认定转向创新生态的系统构建。

过去,相关政策可能更侧重于评估企业是否具备一定的创新条件和技术实力,新规强调企业技术中心要成为推动科技创新和产业创新深度融合的核心力量,通过制定科技创新规划、开展科学研究和产业技术研发、创造运用知识产权等一系列职能,带动整个行业的高质量发展,形成一个充满活力的创新生态系统。

二、明确企业技术中心的定义、战略定位、职能


三、管理机构调整

新规取消了科技部在认定管理中的参与角色,由国家发展改革委商财政部、海关总署、税务总局指导协调企业技术中心相关工作,由国家发展改革委牵头开展企业技术中心的认定与运行评价。


四、认定节奏与程序优化

认定频次从原来的原则上每年进行一次,调整为每两年一次。


五、硬性门槛翻倍

新规在硬性门槛方面进行了大幅提升,多个限定性指标的最低标准实现“翻倍”。年度研究与试验发展经费支出额从不低于1500万元提升至3000万元;专职研究与试验发展人员数要求不少于150人;技术开发仪器设备原值从不低于2000万元跃升至3000万元。


六、前置条件取消

取消“已认定为省市(部门)认定企业技术中心两年以上”的前置条件,为更多企业提供了参与国家企业技术中心认定的机会。


七、违法审查与否决条件

违法记录审查期从两年延长至三年,并且扩大了“否决条件”的范围。


八、分中心细化管理规则

新规对分中心管理进行了细化。对于母公司技术中心已是企业技术中心的情况,地方政府主管部门不得再推荐其下属子公司申请企业技术中心,但从事业务领域与母公司不同的子公司,可推荐其申请母公司企业技术中心分中心。同时,子公司已是企业技术中心的,地方政府主管部门在推荐其母公司申请企业技术中心时,应在推荐意见中明确提出将其子公司企业技术中心调整为分中心或撤销的意见。


九、评价结果分类

评价结果调整为优秀、良好、基本合格和不合格四个等级。这种明确的分类方式使得评价结果更加直观和清晰,便于对不同水平的企业技术中心进行区分和管理。评价得分90分及以上为优秀,65分至90分(不含90分)为良好,60分至65分(不含65分)为基本合格,低于60分为不合格。


十、支持政策配套保障

新规增加了企业技术中心相关支持政策,在国家级平台倾斜、金融工具、资金、土地、科研、人才等方面提供配套支持。

国家发展改革委鼓励企业技术中心聚焦国家战略需求和产业创新发展需要开展技术研发,同等条件下支持优先承担国家产业技术攻关、示范应用项目。积极支持企业技术中心的科技成果转化,通过国家创业投资引导基金等政府投资基金加强资金保障。支持评价为优秀的企业技术中心优先牵头组建国家级科技创新平台基地。支持符合条件的企业技术中心合理申请新增外债用于发展业务,直接向国家发展改革委提出申请,无需地方出具支持性意见。支持企业技术中心强化人才队伍建设,鼓励支持申报各类人才专项。鼓励地方结合企业技术中心建设运行需求,在资金、土地、科研、人才等方面给予必要支持。


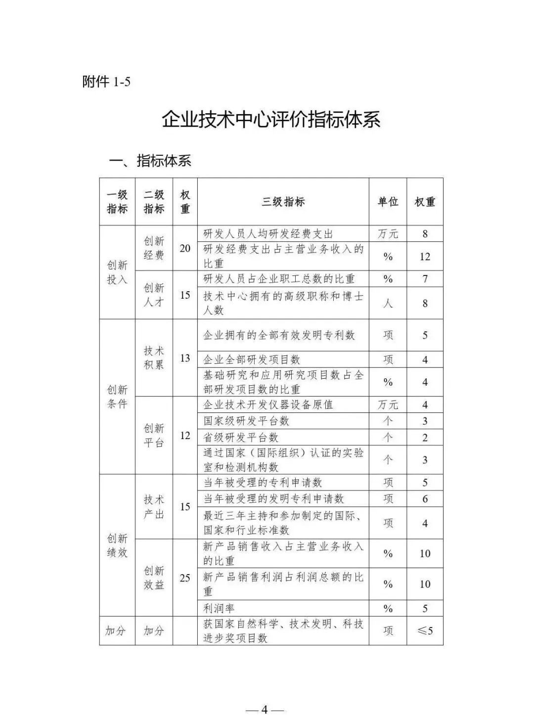
十一、调整数据与指标调整优化

新规对评价数据表和评价指标体系进行了调整。评价指标体系的调整则更加注重对企业创新投入、创新条件、创新绩效等方面的综合评价,引入了更多的量化指标和权重,如研发人员人均研发经费支出、研发经费支出占主营业务收入的比重、企业拥有的全部有效发明专利数等。

图片
图片
图片
图片



地址:武汉市洪山区关山大道琨瑜国际中心42楼          邮编:430000
鄂ICP备14007251号-1      武汉辅创科技股份有限公司    技术支持:金百瑞
027-87599568
027-87599568